[content:title] [content:title] [content:title] [content:title] [content:title]
细菌纳米纤维素块状SF60N
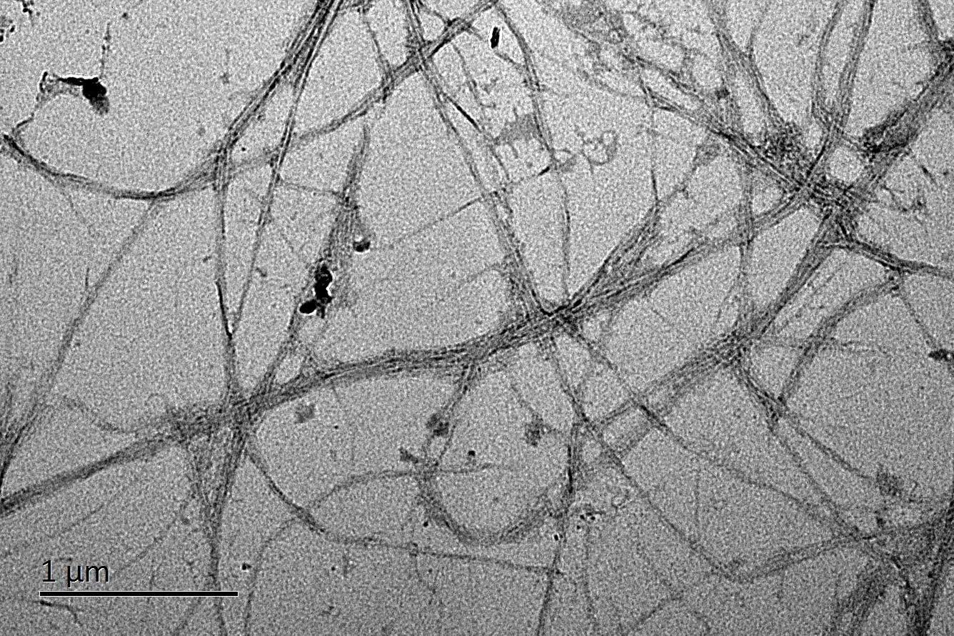
细菌纤维素(Bacterial cellulose,简称BC),是由微生物发酵合成的多孔性网状纳米级生物高分子聚合物。它由独特的丝状纤维组成,外观呈乳白凝胶状,纤维直径在10~100纳米 之间,每一丝状纤维由一定数量的超微纤维组成网状结构,与植物纤维素的主要差别在于其不含有半纤维素、木质素等。作为一种新型纳米材料,细菌纤维素已应用于纺织、医用材料、食品等各个领域。常见用途如高强度凝胶、特种纸、耳机膜、医药辅料、面膜等。本公司通过对菌种和培养液的精选和优化、采用生物静态发酵过程来生产细菌纤维素膜及其分散液,以满足不同的客户需求。
型号:SF60N
产品描述
基本参数



image.png

产品种类

image.png


产品外观

产品外观.png


产品表征

产品表征.png

应用领域

应用领域.png

注意事项

注意事项:

1. 水分散液避免日光直射或冷冻储存,常温或冷藏可储存一年。

2. 粉末产品要保持干燥条件下储存。

公海555000JC线路检测中心科技坐落于桂林市七星区铁山路桂林国家高新区英才科技园,专业从事于新兴材料纳米纤维素的生产、研发和销售。

公海555000JC线路检测中心

联系人:何先生

电话:18926068686

邮箱:heray@cellunano.com

地址:广西桂林市七星区铁山路桂林国家高新区英才科技园A-24号

 Copyright © 2025 公海555000JC线路检测中心科技 版权所有  桂ICP备38905856号-1
公海555000JC线路检测中心


网站地图